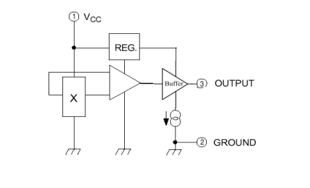
线性型霍尔元件的内部构成主要包括:稳压电路、线性霍尔元件、运算放大器三大部分。其输入是磁感应强度,输出是和输入量成正比的电压。这类电路有很高的灵敏度和优良的线性度,适用于各种磁场检测。线性霍尔元件会根据磁场的强弱触发出抛物线式的行程,比如电动车的加速把就是用线性霍尔元件,可以根据磁场的变化使速度从0加到最大,但是磁场强度超过某区间最高点时,速度始终保持不变。

开关型霍尔传感器由稳压器、霍尔元件、放大器、斯密特触发器和输出级组成。当磁性物件移近霍尔开关时,开关检测面上的霍尔元件因产生霍尔效应而使开关内部电路状态发生变化,由此识别附近有磁性物体存在,进而控制开关的通或断。这种接近开关的检测对象必须是磁性物体。

提出您的需求,我们将尽最大的努力达成您的需求,让客户满意是我们永远的追求

客服二